产品中心
T4N-4187 塑料弹簧安全限位开关

T4N-4187 塑料弹簧安全限位开关

强制断开动作装置(仅NC接点),可以在发生像接点熔断等故障时断开接点。

标准的镀金接点保证了接触的高可靠性,可用于标准负载及微小负载。

强化了顶部密封结构,以提高密封性能。

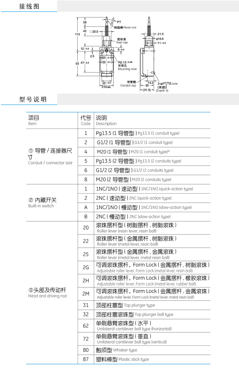
内藏接点座具有速动型: 1NC/1NO、2NC

0.00
0.00
  

强制断开动作装置(仅NC接点),可以在发生像接点熔断等故障时断开接点。

标准的镀金接点保证了接触的高可靠性,可用于标准负载及微小负载。

强化了顶部密封结构,以提高密封性能。

内藏接点座具有速动型: 1NC/1NO、2NC








  • T4N-4162 单侧动作安全限位开关
  • T4N-4172 单侧动作安全限位开关
  • T4N-4120 塑料摆臂安全限位开关
  • T4N-4122 尼龙轮摆臂限位开关
  • T4N-412M 可调式金属轮安全开关
  • T4N-4125 摆臂式安全限位开关
  • T4N-412G 可调摆臂限位开关
  • T4N-412H 可调皮轮限位开关
  • T4N-4180 猫须式安全限位开关
  • T4N-4187 塑料弹簧安全限位开关