产品中心
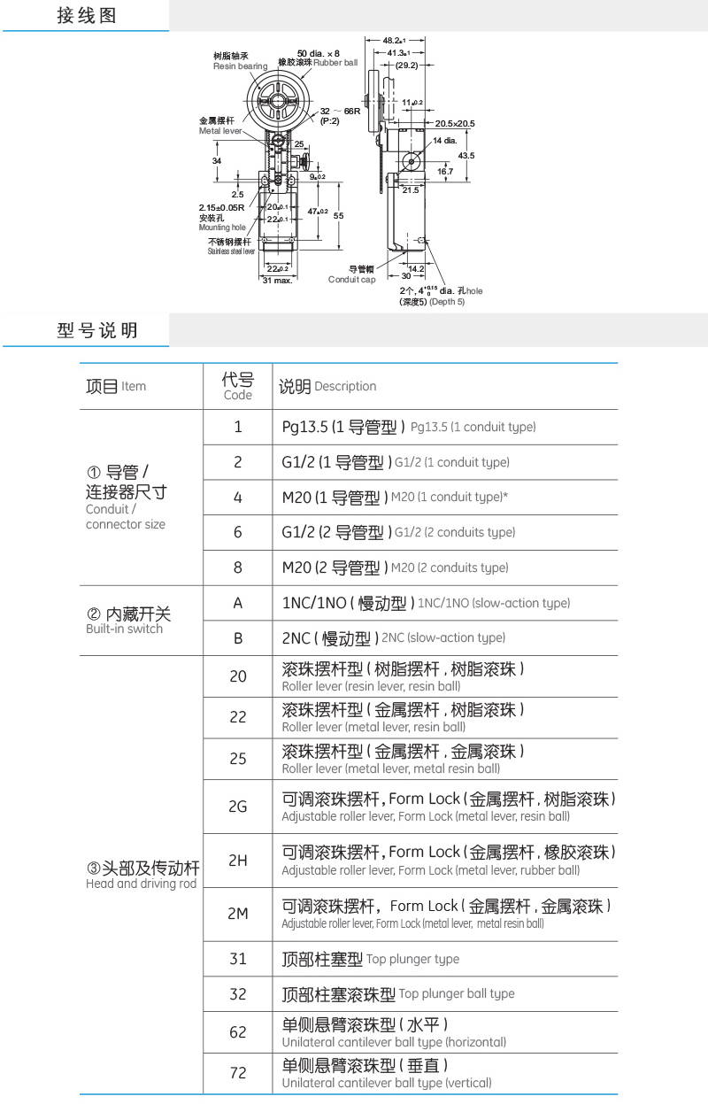
T4N-4A2HR 手动复位安全限位开关

T4N-4A2HR 手动复位安全限位开关

标准的镀金接点保证了接触的高可靠性,可用于标准负载及微小负载。

接点形式1NC/1NO及2NC(仅限慢动型)。


0.00
0.00
  

标准的镀金接点保证了接触的高可靠性,可用于标准负载及微小负载。

接点形式1NC/1NO及2NC(仅限慢动型)。



注1. 上述值为初始值
2. 一旦接点连接标准负载后,就不可用于连接更小容量的负载。否则可能导致接点表面粗糙,从而失去接触可靠性。
(1)保护等级是根据(EN60947-5-1) 规格的测试法得出的。使用前务必在实际使用的环境、条件下确认其密封性。 开关盒本体具有防尘、防油构造,但应尽可能保持头部在没有碎屑粉尘、油污、化学品的场所进行使用。否则可能导致过早磨损、损坏或故障。
(2)耐久性的条件是使用环境温度 5℃~ 35℃、使用环境湿度 40% ~ 70% RH。
其他详细条件请另行查询。
(3)使用环境温度为35℃以上时,禁止使用2回路以上的3A AC250V负载。
(4)这个值会因为开关频率、环境条件、可靠性等级等因素的影响而不同。请事先在实际负
Note 1. 
The above values are initial values.
2.Once the contact is connected to a standard load, it can not be used to connect a smaller load. If so, the contact may result in rough surface, thus losing contact reliability.
(1)The protection level is gotten based on test method of (EN60947-5-1). Please make sure its sealing under actual environmental conditions before use. The switch box has dust and oil resistance structure, but it should be used in places without dust, oil and chemicals. Otherwise it may lead to premature wear, damage or malfunction.
(2)The durability is for ambient temperature of 5℃ ~ 35℃ and humidity of 40% to 70% RH. For additional details, please contact us.
(3)When the ambient temperature is above 35℃, more than 2 circuits 3A 250VAC loads are prohibited.
(4)The values will vary with different switching frequency, environmental conditions, reliability level and other factors. Please confirm on the actual load in advance






  • T4N-4A31R 基础型复位安全限位开关
  • T4N-4A32R 手动复位安全限位开关
  • T4N-4A62R 手动复位安全限位开关
  • T4N-4A72R 手动复位安全限位开关
  • T4N-4A20R 手动复位安全限位开关
  • T4N-4A22R 手动复位安全限位开关
  • T4N-4A2GR 手动复位安全限位开关
  • T4N-4A25R 手动复位安全限位开关
  • T4N-4A2MR 手动复位安全限位开关
  • T4N-4A2HR 手动复位安全限位开关