产品中心
TM-1306塞柱短按钮型微动开关

TM-1306塞柱短按钮型微动开关

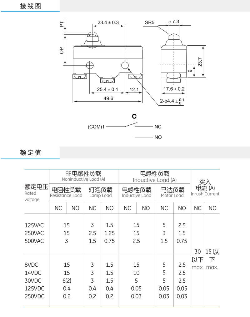
●采用银复合触点,约定发热电流达15A。

●根据用途不同,还有基本型、焊接端子型

●标准型中还有微小负载用系列。

●备有保护端子部位的安全,且具有防滴功能的防滴端子保护盖和塑封端子型。

0.00
0.00
  

●采用银复合触点,约定发热电流达15A。

●根据用途不同,还有基本型、焊接端子型

●标准型中还有微小负载用系列。

●备有保护端子部位的安全,且具有防滴功能的防滴端子保护盖和塑封端子型。


联系客服
  • TZ-8104 滚轮摆杆型限位开关
  • TZ-8108 可调摆杆型限位开关
  • TZ-8107 可调杆型限位开关
  • TZ-8122交叉滚轮柱塞型限位开关
  • TZ-8111柱塞型限位开关