产品中心
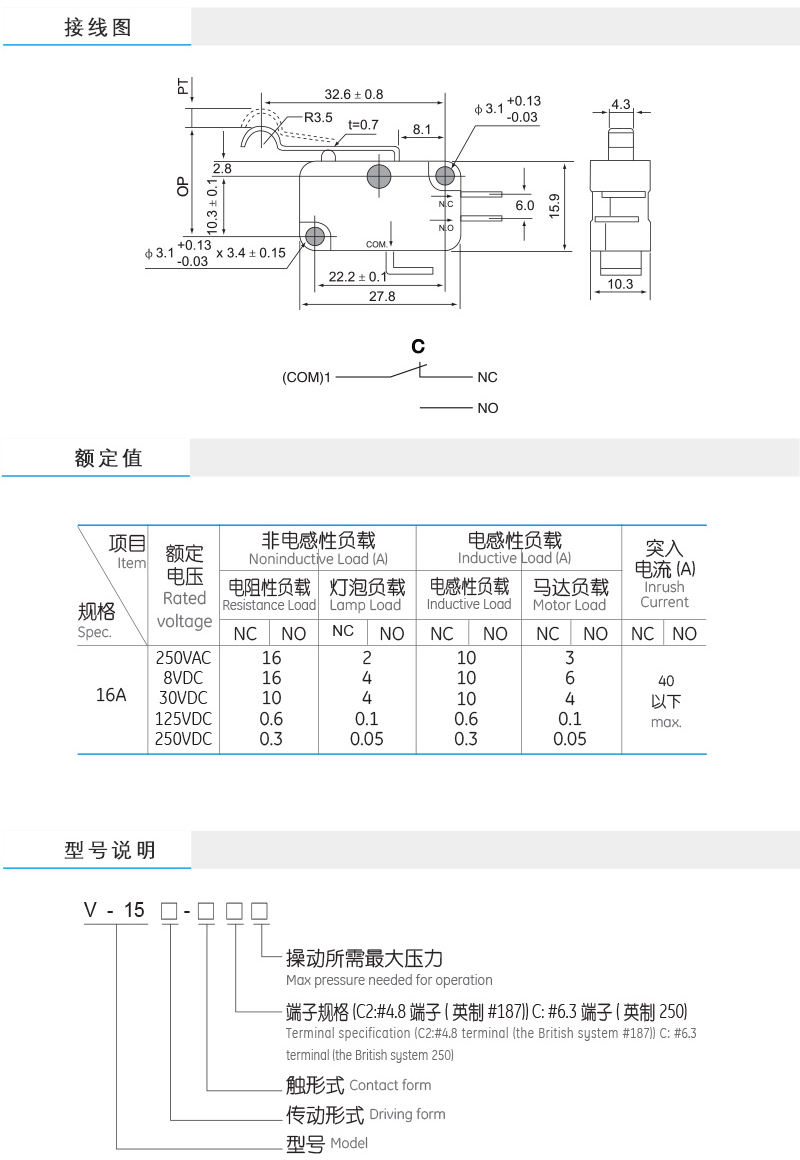
V-154-1C25 弧形杠杆微动开关

V-154-1C25 弧形杠杆微动开关

动作位置精度高

抗冲击性好,最大1000m/s2

高强度外壳,安装开关时,塑料外壳能承受6kgf.cm的扭矩而不会破裂。


0.00
0.00
  

动作位置精度高

抗冲击性好,最大1000m/s2

高强度外壳,安装开关时,塑料外壳能承受6kgf.cm的扭矩而不会破裂。



联系客服
  • TZ-8104 滚轮摆杆型限位开关
  • TZ-8108 可调摆杆型限位开关
  • TZ-8107 可调杆型限位开关
  • TZ-8122交叉滚轮柱塞型限位开关
  • TZ-8111柱塞型限位开关