产品中心
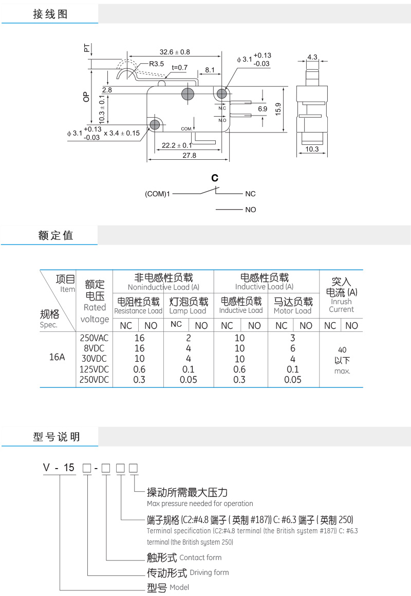
V-154-1C5 弧形杠杆微动开关(宽端子)

V-154-1C5 弧形杠杆微动开关(宽端子)

0.00
0.00
  


联系客服
  • TZ-8104 滚轮摆杆型限位开关
  • TZ-8108 可调摆杆型限位开关
  • TZ-8107 可调杆型限位开关
  • TZ-8122交叉滚轮柱塞型限位开关
  • TZ-8111柱塞型限位开关